| Серия насоса | Размер | Рабочий объем (мл/об) | Рабочее давление (МПа) | Скорость вращения (об/мин) | Вес (кг) | ||
| Номинальное | Макс. | Макс. | Мин. | ||||
|
|
3.5 | 3.6 | 31.5 | 35 | 3600 | 400 | 4 |
| 5 | 5.2 | 31.5 | 35 | 3600 | 400 | 4.2 | |
| 6.3 | 64 | 31.5 | 35 | 3600 | 400 | 4.4 | |
| 8 | 8.2 | 31.5 | 35 | 3600 | 400 | 4.6 | |
| 10 | 10.2 | 31.5 | 35 | 3600 | 400 | 4.8 | |
| 13 | 13.3 | 31.5 | 35 | 3000 | 600 | 4.9 | |
| 16 | 16.0 | 31.5 | 35 | 3000 | 600 | 5.2 | |
| 20 | 20.0 | 25 | 30 | 3000 | 600 | 5.6 | |
|
|
25 | 25.3 | 31.5 | 35 | 3000 | 200 | 14.5 |
| 32 | 32.7 | 31.5 | 35 | 3000 | 200 | 15 | |
| 40 | 40.1 | 31.5 | 35 | 3000 | 200 | 16 | |
| 50 | 50.7 | 31.5 | 35 | 3000 | 200 | 17 | |
| 63 | 63.7 | 25 | 30 | 3000 | 200 | 18.5 | |
|
|
80 | 81.4 | 31.5 | 35 | 3000 | 200 | 43.5 |
| 100 | 100.2 | 31.5 | 35 | 3000 | 200 | 45.5 | |
| 125 | 125.3 | 31.5 | 35 | 3000 | 200 | 48 | |
| 160 | 162.8 | 21 | 26 | 3000 | 200 | 52 | |
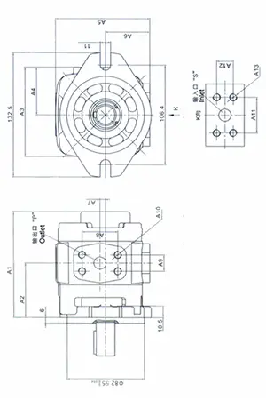
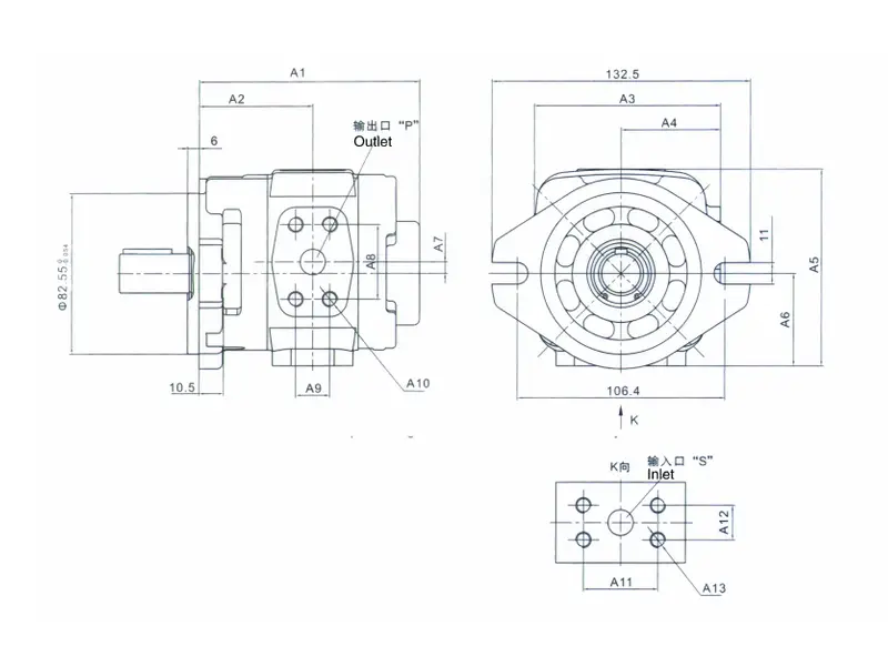
| Модель насоса | A1 | A2 | A3 | A4 | A5 | A6 | A7 | P | A8 | A9 | A10 | S | A11 | A12 | A13 |
|
|
101.5 | 52.5 | 96 | 51 | 100.6 | 47 | 5.8 | Ø9 | 38.1 | 17.5 | M8 глубиной13 | Ø14 | 38.1 | 17.5 | M8 глубиной13 |
|
|
105.5 | 54.5 | 96 | 51 | 100.6 | 47 | 5.8 | Ø11 | 38.1 | 17.5 | M8 глубиной13 | Ø14 | 38.1 | 17.5 | M8 глубиной13 |
|
|
108.5 | 56 | 96 | 51 | 100.6 | 47 | 5.8 | Ø11 | 38.1 | 17.5 | M8 глубиной13 | Ø19 | 47.6 | 22.2 | M10 глубиной 15 |
|
|
113 | 58.25 | 96 | 51 | 100.6 | 47 | 5.8 | Ø13 | 38.1 | 17.5 | M8 глубиной13 | Ø19 | 47.6 | 22.2 | M10 глубиной 15 |
|
|
118 | 60.75 | 96 | 51 | 100.6 | 47 | 6.2 | Ø13 | 38.1 | 17.5 | M8 глубиной13 | Ø21 | 52.4 | 26.2 | M10 глубиной 15 |
|
|
117.5 | 59.25 | 99.6 | 49.8 | 106.6 | 55.8 | 6.2 | Ø13 | 38.1 | 17.5 | M8 глубиной13 | Ø19 | 52.4 | 26.2 | M10 глубиной 15 |
|
|
123 | 62 | 99.6 | 49.8 | 106.6 | 55.8 | 6.2 | Ø13 | 38.1 | 17.5 | M8 глубиной13 | Ø19 | 52.4 | 26.2 | M10 глубиной 15 |
|
|
131 | 66 | 99.6 | 49.8 | 106.6 | 55.8 | 6.2 | Ø18 | 47.6 | 22.2 | M10 глубиной 15 | Ø26 | 58.7 | 30.2 | M10 глубиной 15 |
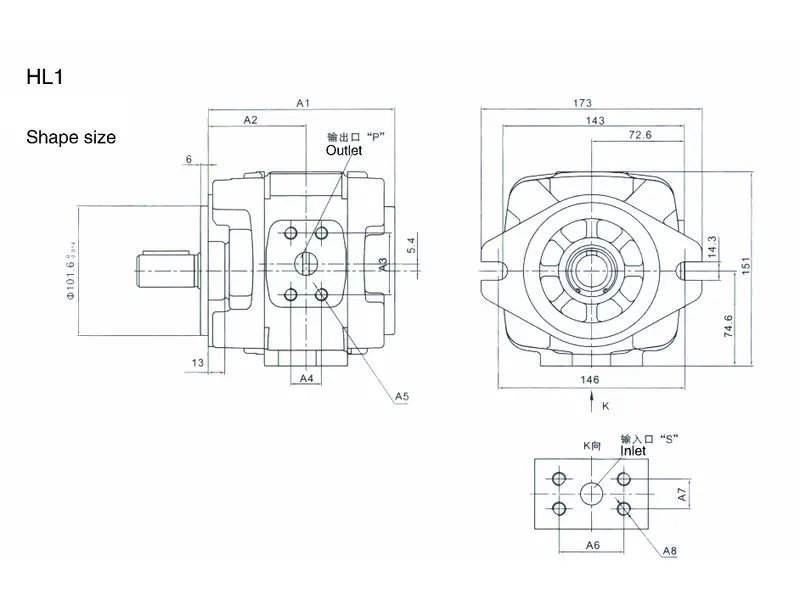
| Модель насоса | A1 | A2 | P | A3 | A4 | A5 | S | A6 | A7 | A8 |
|
|
139 | 73 | Ø18 | 47.6 | 22.2 | M10 глубиной 17 | Ø32 | 58.7 | 30.2 | M10 глубиной 17 |
|
|
146 | 76.5 | Ø18 | 47.6 | 22.2 | M10 глубиной 17 | Ø32 | 58.7 | 30.2 | M10 глубиной 17 |
|
|
153 | 80 | Ø20 | 52.4 | 26.2 | M10 глубиной 17 | Ø32 | 58.7 | 30.2 | M10 глубиной 17 |
|
|
163 | 85 | Ø20 | 52.4 | 26.2 | M10 глубиной 17 | Ø32 | 58.7 | 30.2 | M10 глубиной 17 |
|
|
177 | 92 | Ø20 | 52.4 | 26.2 | M10 глубиной 17 | Ø32 | 58.7 | 30.2 | M10 глубиной 17 |
| Модель насоса | A1 | A2 | P | A3 | A4 | A5 | S | A6 | A7 | A8 |
|
|
204 | 109.5 | Ø32 | 69.9 | 35.7 | M12 глубиной 20 | Ø50 | 77.8 | 42.9 | M12 глубиной 20 |
|
|
213 | 114 | Ø32 | 69.9 | 35.7 | M12 глубиной 20 | Ø50 | 77.8 | 42.9 | M12 глубиной 20 |
|
|
225 | 120 | Ø38 | 79.4 | 36.5 | M16 глубиной 25 | Ø63.5 | 88.9 | 50.8 | M12 глубиной 20 |
|
|
243 | 129 | Ø38 | 79.4 | 36.5 | M16 глубиной 25 | Ø76 | 106.4 | 61.9 | M16 глубиной 25 |

Ротор прикрепляется на валу привода и приводит в движение ведомую шестерню, которая в свою очередь крепится к корпусу насоса. Благодаря эксцентрическому положению данной шестерни, опирающейся на дуговой разделитель, внутри ротора создается изменение объема между зубьями шестерен, что создает процесс всасывания жидкости, где жидкость поднимается к выходу насоса и вытесняется из зазора между шестернями.
Максимальная скорость составляет 3600 об/мин. Высокие скорости, как правило, подходят для работы с жидкостями высокой вязкости, точной перекачки и дозирования, а также для применения в нефтегазовой отрасли.
Минимальная скорость составляет 200 об/мин. Низкие скорости обычно применяются в системах смазки и гидравлических системах.