Электродвигатель с полым валом был специально разработан для привода гидравлических насосов и играет решающую роль в гидравлических системах, требующих точного управления и высокой производительности.
Да, крутящий момент можно регулировать, изменяя давление в системе или используя двигатели с регулируемым рабочим объемом. Мы можем предоставить двигатели с регулируемым рабочим объемом и порекомендовать клапаны или регуляторы давления для достижения желаемой производительности.
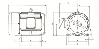
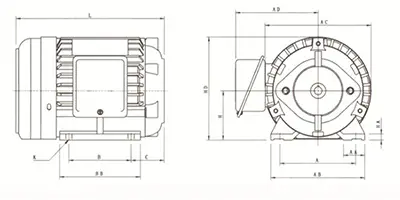
Схема двигателя 1
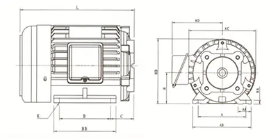
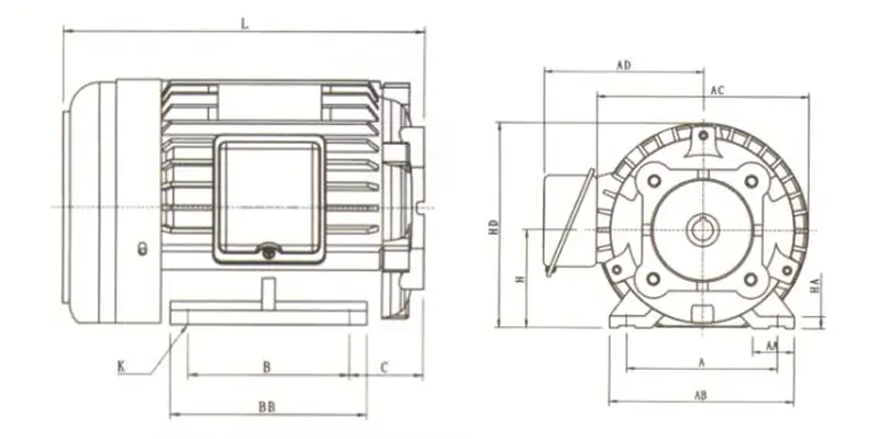
Схема двигателя 2
Схема двигателя 3| 4P | 6P | Рама | Кол-во фаз | Номер схемы | A | AA | AB | AC | AD | B | BB | C | H | HA | HD | K | L | Масса нетто (кг) | |
| 1/2 | 1/4 | 80 | Трехфазный | Схема 1 | 125 | 35 | 155 | 175 | 138 | 100 | 130 | 51 | 80 | 10 | 170 | 10 | 230 | 13 | |
| 1 | 1/2 | 80 | Трехфазный | 125 | 35 | 155 | 175 | 138 | 100 | 130 | 53.5 | 80 | 10 | 170 | 10 | 235 | 15,5 | ||
| 2 | 1 | 90L | Трехфазный | 140 | 40 | 175 | 196 | 147 | 125 | 156 | 52 | 90 | 11 | 190 | 12 | 270 | 23,5 | ||
| 3 | 2 | 100L | Трехфазный | Схема 2 | 160 | 40 | 196 | 219 | 162 | 140 | 177 | 65 | 100 | 12 | 210 | 12 | 303 | 31,5 | |
| 5 | 3 | 112M | Трехфазный | 190 | 40 | 228 | 235 | 164 | 140 | 172 | 57.5 | 112 | 13 | 230 | 12 | 290 | 38,5 | ||
| 71/2 | 5 | 132S | Трехфазный | 216 | 45 | 250 | 268 | 191 | 140 | 175 | 77 | 132 | 16 | 266 | 12 | 345 | 60 | ||
| 10 | 71/2 | 132M | Трехфазный | 216 | 45 | 250 | 268 | 191 | 178 | 213 | 75 | 132 | 16 | 266 | 12 | 378 | 70 | ||
| 15 | 10 | 160M | Трехфазный | Схема 3 | 254 | 50 | 300 | 318 | 253 | 210 | 250 | 87 | 160 | 18 | 320 | 14 | 479 | 115 | |
| 20 | 15 | 160L | Трехфазный | 254 | 50 | 300 | 318 | 253 | 254 | 300 | 87 | 160 | 18 | 320 | 14 | 523 | 140 | ||
| 25 | 30 | 20 | 180MC | Трехфазный | 279 | 85 | 356 | 354 | 303 | 241 | 300 | 105 | 180 | 24 | 360 | 15 | 547 | 180/220 | |
| 40 | 2530 | 180LC | Трехфазный | 279 | 85 | 356 | 354 | 303 | 279 | 330 | 105 | 180 | 24 | 360 | 15 | 585 | 240 | ||
| 1/2 | 80 | Однофазный | Схема 1 | 125 | 35 | 155 | 175 | 138 | 100 | 130 | 53,5 | 80 | 10 | 170 | 10 | 265 | 15 | ||
| 1 | 90L | Однофазный | 140 | 40 | 175 | 196 | 155 | 125 | 157 | 52 | 90 | 12 | 190 | 10 | 290 | 24 | |||
| 2 | 90L | Однофазный | 140 | 40 | 175 | 196 | 155 | 125 | 157 | 64 | 100 | 12 | 190 | 10 | 300 | 28 | |||
| 3 | 112M | Однофазный | Схема 1 | 190 | 45 | 228 | 228 | 174 | 140 | 175 | 73.5 | 112 | 12 | 230 | 12 | 385 | 425 | ||
| 5 | 112M | Однофазный | 190 | 45 | 224 | 245 | 185 | 140 | 175 | 95 | 112 | 14 | 230 | 12 | 420 | 48 | |||
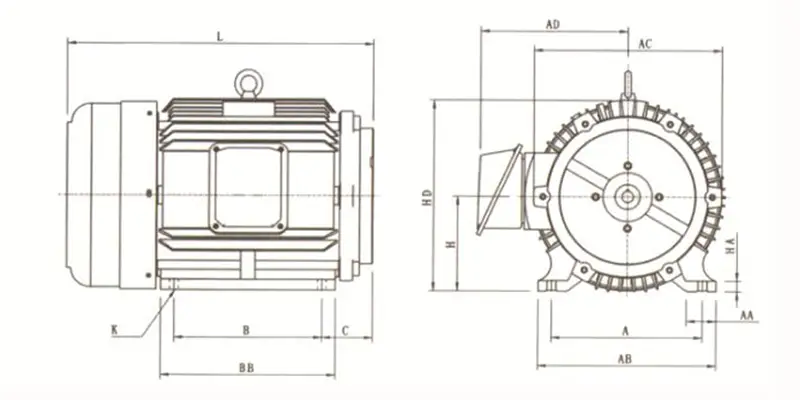
| 4P | 6P | Рама | Кол-во фаз | AC | AD | L | LA | M | N | P | S | T | Масса нетто (кг) |
| 1 | 1/2 | 80 | Трехфазный | 177 | 139 | 248 | 10 | 180 | 130 | 205 | 12 | 12 | 16.5 |
| 1 | - | 90 | Однофазный | 195 | 154 | 280 | 10 | 200 | 130 | 230 | 12 | 10 | 24 |
| 2 | 1 | 90 | Трехфазный | 195 | 148 | 258 | 10 | 200 | 130 | 230 | 12 | 10 | 24 |
| 2 | - | 90 | Однофазный | 196 | 155 | 306 | 10 | 200 | 130 | 230 | 12 | 10 | 30 |
| 3 | 2 | 112 | Трехфазный | 230 | 166 | 285 | 11 | 215 | 180 | 250 | 14 | 9 | 32 |
| 7.5 | 5 | 132 | Трехфазный | 268 | 195 | 345 | 13.5 | 265 | 230 | 300 | 15 | 5 | 61 |
| 10 | 7.5 | 132 | Трехфазный | 268 | 195 | 380 | 13.5 | 265 | 230 | 300 | 15 | 5 | 71 |
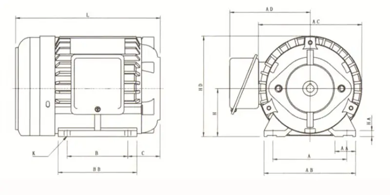
| 4P | 6P | Рама | Кол-во фаз | AC | AD | L | LA | M | N | P | S | T | Масса нетто (кг) |
| 1/2 | 1/4 | 71 | Трехфазный | 157 | 130 | 257 | 11 | 130 | 110 | 160 | 11 | - | 12,5 |
| 1 | 1/2 | 80 | Трехфазный | 177 | 135 | 282 | 12 | 165 | 130 | 200 | 12 | 13 | 17 |
| 3 | - | 112 | Однофазный | 230 | 163 | 335 | 12 | 215 | 180 | 250 | 15 | 4 | 42,5 |
| 5 | 3 | 112 | Трехфазный | 230 | 163 | 318 | 10 | 215 | 180 | 250 | 15 | 4 | 40 |
| 15 | 10 | 160 | Трехфазный | 318 | 250 | 509 | 20 | 300 | 250 | 350 | 19 | 5 | 106 |
| 20 | 15 | 160 | Трехфазный | 318 | 250 | 553 | 20 | 300 | 250 | 350 | 19 | 5 | 130 |
