Шестеренчатые насосы обладают многочисленными преимуществами, что делает их предпочтительным выбором во многих отраслях промышленности. К основным преимуществам относятся: высокая эффективность, возможность самовсасывания, прочная конструкция, широкий диапазон вязкости, бесшумная работа и т.д.
Пластинчатый гидронасос – это объемный насос, который перекачивает жидкость за счет вращения и выдвижения лопастей внутри эксцентрикового ротора. Он широко применяется в промышленных, автомобильных и гидравлических системах и известен своей высокой эффективностью, низкой пульсацией и стабильной производительностью, что делает данный тип лопастных насосов идеальным выбором для гидравлических систем со средним и низким давлением.
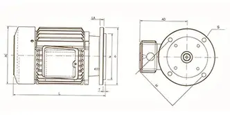
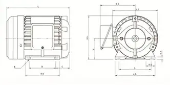
Электродвигатель с полым валом был специально разработан для привода гидравлических насосов и играет решающую роль в гидравлических системах, требующих точного управления и высокой производительности.
Гидравлические клапаны NOAH известны своей быстрой реакцией, стабильным управлением и длительным сроком службы. Наши клапаны специально разработаны для сложных гидравлических систем и применяются в таких областях, как строительная техника, металлургическое оборудование, автоматизированные производственные линии, станки, оборудование для производства резины и пластмасс, где служат в качестве основных компонентов для управления направлением движения гидравлических приводов (например, цилиндров, двигателей).

Если у вас возникли дополнительные вопросы или вы готовы к сотрудничеству с нами, пожалуйста, заполните форму на нашем сайте
Во-первых, необходимо учитывать требования к эксплуатации. Производительность насоса должна соответствовать рабочим параметрам системы. Во-вторых, определите совместимость жидкости или газа, перекачиваемых машиной, с точки зрения вязкости, химического состава и т.д. Также следует учитывать эффективность пластинчатого насоса или энергопотребление, поскольку они напрямую влияют на эксплуатационные расходы. Кроме того, насос с лопастями должен выдерживать сложные условия и непрерывную эксплуатацию. Наконец, вам следует следовать спецификациям производителя или проконсультироваться со специалистом по поводу ожидаемых эксплуатационных характеристик в долгосрочной перспективе и необходимости технического обслуживания.
В пластинчатых (лопастных) насосах используется газовый балласт, предотвращающий конденсацию пара внутри насоса в процессе перекачки. Это помогает поддерживать эффективность насоса и срок его службы, особенно при работе с парами и агрессивными газами.
Вакуумметр имеет решающее значение в системе пластинчатого насоса, поскольку он контролирует уровень давления и обеспечивает работу насоса в требуемом диапазоне разрежения. Данное устройство помогает поддерживать оптимальную производительность и безопасность, обеспечивая измерение разрежения в режиме реального времени.
Да, крутящий момент можно регулировать, изменяя давление в системе или используя двигатели с регулируемым рабочим объемом. Мы можем предоставить двигатели с регулируемым рабочим объемом и порекомендовать клапаны или регуляторы давления для достижения желаемой производительности.
Чтобы выдвинуть цилиндр, отведите рукоятку от клапана. Когда вы отпустите рукоятку, пружина клапана вернется в нейтральное положение, останавливая цилиндр. Нейтральное положение: масло циркулирует из насоса через клапан обратно в бак. Рабочие отверстия заблокированы. Чтобы втянуть цилиндр, нажмите на рукоятку в направлении клапана. Когда рукоятка будет отпущена, пружина клапана вернется в нейтральное положение.
Да, гидравлические клапаны могут потребовать регулировки для оптимизации работы системы, компенсации износа или адаптации к изменяющимся условиям эксплуатации.
Вы можете легко определить, открыт или закрыт гидравлический клапан, проверив положение привода, проследив за изменениями расхода и давления в системе или посмотрев на маркировку индикатора на корпусе клапана.