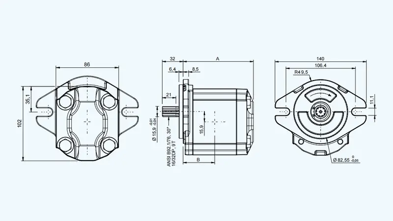
Ультратихие шестеренчатые насосы с дуговыми зубьями серии US от NOAH – это промышленные гидравлические силовые компоненты, предназначенные для использования в различных системах, требующих низкого уровня шума, высокой эффективности и длительного срока службы. В насосах данной серии используется технология зацепления шестерней с дугообразными зубьями и оптимизированная конструкция проточного канала, что значительно снижает пульсации давления и уровень шума при работе, сохраняя при этом высокую объемную эффективность и надежность. Они широко применяются в высокоточном оборудовании, медицинском оборудовании, автоматизированных производственных линиях и аналогичных системах, чувствительных к уровню шума
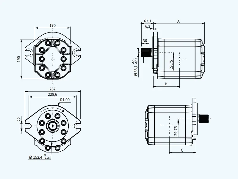
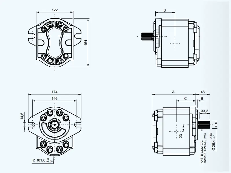
| Тип фланца и приводного вала | Рабочий объем (куб.см/об) | Расход (л/мин) | Размер A (мм) | Размер B (мм) | Постоянное давление (бар) | Периодическое давление (бар) | Макс. давление (бар) | Уровень шума (дБА) |
| 50 | 505 | 727 | 1,795 | 8,150 | 275 | 280 | 300 | 57 |
| 63 | 635 | 914 | 1,885 | 8,600 | 249 | 260 | 280 | 57 |
| 75 | 750 | 1,081 | 1,965 | 9,000 | 229 | 250 | 270 | 57 |
| 90 | 909 | 1,309 | 2,075 | 955 | 178 | 240 | 260 | 57 |
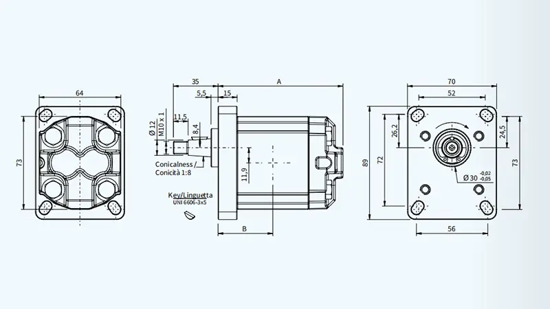
| Тип фланца и приводного вала | Рабочий объем (куб.см/об) | Расход (л/мин) | Размер A (мм) | Размер B (мм) | Размер C (мм) | Постоянное давление (бар) | Периодическое давление (бар) | Макс. давление (бар) | Уровень шума (дБА) | |
| 0 | OE | |||||||||
| 50 | 505 | 727 | 1,570 | 705 | 70,5 70,5 | 275 | 280 | 300 | 57 | |
| 63 | 635 | 914 | 1,660 | 750 | 785 | 750 | 249 | 260 | 280 | 57 |
| 75 | 750 | 1,081 | 1,740 | 790 | 825 | 790 | 229 | 250 | 270 | 57 |
| 90 | 909 | 1,309 | 1,850 | 845 | 88,0 84,5 | 178 | 240 260 | 57 | ||
Нет. В нашем бесшумном шестеренчатом насосе используется прогрессивная технология зацепления шестерен с дуговыми зубьями, предлагающая низкий уровень шума при работе до 55-60 дБ (А), что делает его особенно подходящим для чувствительных к шуму хирургических кабинетов и медицинских помещений.
Насосы данной серии отличаются компактной конструкцией и небольшими габаритами, что позволяет легко устанавливать их в ограниченном пространстве. Благодаря конструкции с шумоподавлением они идеально подходят для таких систем, как магнитно-резонансный и компьютерный томограф, предъявляющим строгие требования к используемому пространству и уровню шума.
Бесшумный шестеренчатый насос отличается очень высокой объемной производительностью, высокой адаптируемостью к средам различной вязкости и широким температурным диапазоном, что делает его идеальным источником питания для систем охлаждения и смазки высокоточного оборудования с ЧПУ.
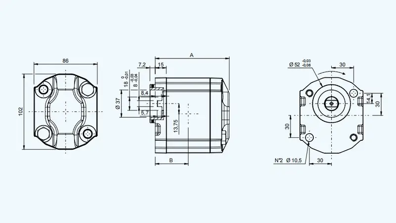
Наш бесшумный шестеренчатый насос отличается высоким пусковым моментом и объемной эффективностью, что делает его особенно подходящим для малошумных и быстродействующих систем, таких как электропогрузчики и внедорожники AGV. Его различные типы приводных валов, включая шпоночные, шлицевые и соединительные муфты, позволяют гибко сочетать его с различными основными гидравлическими двигателями и сервоприводами.
