

| Модель | Рабочий объем (куб.см/об) | Рабочее давление (бар) | Скорость вращения (об/мин) | Вес (кг) | |||
| Номинальное | Макс. | Номинальное | Мин. | Макс. | |||
|
|
1 | 210 | 250 | 1800 | 1000 | 4500 | 1 |
|
|
2 | 210 | 250 | 1800 | 600 | 4500 | 1.05 |
|
|
3 | 210 | 250 | 1800 | 600 | 4500 | 1.15 |
|
|
4 | 210 | 250 | 1800 | 600 | 4500 | 1.18 |
|
|
5 | 210 | 250 | 1800 | 600 | 3200 | 1.2 |
|
|
6 | 210 | 250 | 1800 | 600 | 3200 | 1.3 |
|
|
7.8 | 175 | 210 | 1800 | 600 | 3200 | 1.4 |
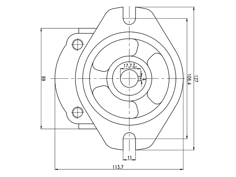
| Модель | A (мм) | B (мм) | Впускное отверстие (всасывающий патрубок) | Выпускное отверстие (напорный патрубок) |
|
|
69.5 | 33.5 | 3/8''PT | 3/8''PT |
|
|
72 | 34.8 | 3/8''PT | 3/8''PT |
|
|
77.5 | 37.5 | 3/8''PT | 3/8''PT |
|
|
79.5 | 38.5 | 3/8''PT | 3/8''PT |
|
|
83.5 | 40.5 | 3/8''PT | 3/8''PT |
|
|
87.5 | 42.5 | 3/8''PT | 3/8''PT |
|
|
93.5 | 45.5 | 1/2''PT | 3/8''PT |
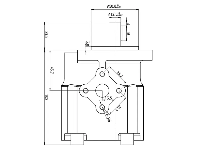
| Название модели |
|
| Тип крепления | L: крепление на опорную лапу F: фланцевое крепление |
| Рабочий объем (куб.см/об) |
1: 1
2: 2
3: 3
4: 4
5: 5
6: 6
8: 8
|
| Направление вращения | R: по часовой L: против часовой |
| Тип приводного вала | X: вал с параллельным шпоном Y: зубчатый вал |
| Тип фланца | 2B: SAE 2х болтовой 4BD: DIN 4х болтовой 4DE: Европейский, 4х болтовой |

| Модель | Рабочий объем (куб.см/об) |
Рабочее давление (бар) | Скорость вращения (об/мин) | Вес (кг) | |||
| Номинальное | Макс. | Номинальное | Мин. | Макс. | |||
|
|
2 | 210 | 250 | 1800 | 900 | 5000 | 1.69 |
|
|
3 | 210 | 250 | 1800 | 850 | 5000 | 1.7 |
|
|
4 | 210 | 250 | 1800 | 800 | 4500 | 1.71 |
|
|
5 | 210 | 250 | 1800 | 700 | 3500 | 1.71 |
|
|
6 | 210 | 250 | 1800 | 700 | 3500 | 1.72 |
|
|
7.5 | 210 | 250 | 1800 | 600 | 3000 | 1.74 |
|
|
9 | 210 | 250 | 1800 | 550 | 2500 | 1.74 |
|
|
10.5 | 210 | 250 | 1800 | 500 | 2000 | 1.74 |
|
|
12 | 175 | 210 | 1800 | 500 | 2000 | 1.76 |
| Название модели |
|
| Тип крепления | L: крепление на опорную лапу F: фланцевое крепление |
| Рабочий объем (куб.см/об) |
2: 2
3: 3
4: 4
5: 5
6: 6
8: 8
9: 9
11: 11
12: 12
|
| Направление вращения | R: по часовой L: против часовой |
| Тип приводного вала | X: вал с параллельным шпоном Y: зубчатый вал |
| Тип фланца | 4BJ: JIS 4х болтовой |

| Модель | Рабочий объем (куб.см/об) |
Рабочее давление (бар) | Скорость вращения (об/мин) | Вес (кг) | |||
| Номинальное | Макс. | Номинальное | Мин. | Макс. | |||
|
|
6 | 210 | 250 | 1800 | 700 | 3000 | 2.32 |
|
|
8 | 210 | 250 | 1800 | 700 | 3000 | 2.4 |
|
|
11 | 210 | 250 | 1800 | 600 | 3000 | 2.53 |
|
|
13 | 210 | 250 | 1800 | 600 | 3000 | 2.6 |
|
|
14.3 | 210 | 250 | 1800 | 500 | 3000 | 2.69 |
|
|
16.5 | 210 | 250 | 1800 | 500 | 3000 | 2.81 |
|
|
19.2 | 210 | 250 | 1800 | 500 | 3000 | 2.92 |
|
|
23 | 210 | 250 | 1800 | 500 | 3000 | 3.11 |
|
|
25 | 175 | 210 | 1800 | 500 | 3000 | 3.2 |
|
|
28 | 175 | 210 | 1800 | 500 | 3000 | 3.29 |
|
|
30 | 175 | 210 | 1800 | 500 | 3000 | 3.38 |
| Модель | A (мм) | B (мм) | Впускное отверстие (всасывающий патрубок) | Выпускное отверстие (напорный патрубок) |
|
|
97.4 | 46.7 | 3/4''PT | 1/2''PT |
|
|
99 | 47.5 | 3/4''PT | 1/2''PT |
|
|
101 | 48.5 | 3/4''PT | 1/2''PT |
|
|
105 | 50 | 3/4''PT | 1/2''PT |
|
|
109 | 51.5 | 3/4''PT | 1/2''PT |
|
|
113 | 54 | 3/4''PT | 1/2''PT |
|
|
117 | 56 | 3/4''PT | 1/2''PT |
|
|
123 | 59 | 3/4''PT | 1/2''PT |
|
|
127 | 61 | 3/4''PT | 1/2''PT |
|
|
134 | 65 | 3/4''PT | 1/2''PT |
|
|
137 | 66 | 1''PT | 3/4''PT |
|
|
141 | 68 | 1''PT | 3/4''PT |
|
|
145 | 70 | 1''PT | 3/4''PT |
| Название модели |
|
| Тип крепления | L: крепление на опорную лапу F: фланцевое крепление |
| Рабочий объем (куб.см/об) |
6: 6
8: 8
11: 11
13: 13
14: 14
17: 17
19: 19
23: 23
25: 25
28: 28
30: 30
|
| Направление вращения | R: по часовой L: против часовой |
| Тип приводного вала | X: вал с параллельным шпоном Y: зубчатый вал |
| Тип фланца | SAE 2х болтовой |

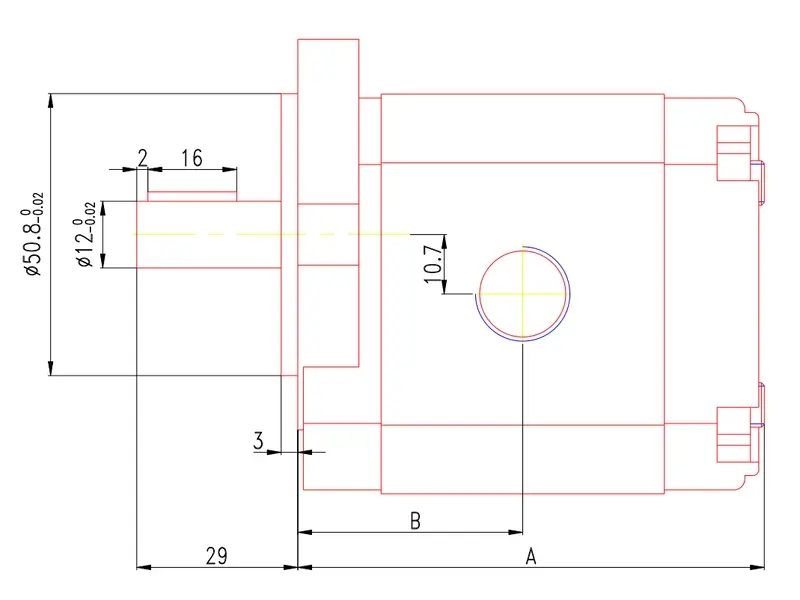
Наш шестеренчатый насос высокого давления производится в корпусе из высококачественного алюминиевого сплава и оснащается безмасляными подшипниками и уплотнениями от Viton. Он способен работать как в прямом, так и в обратном направлении при высоких температурах и давлениях без риска возникновения утечек.
В шестеренном гидравлическом насосе высокого давления используется конструкция из двух насосов. Это позволяет ему одновременно поддерживать стабильный поток в нескольких гидравлических контурах, оптимизируя эффективность системы, обеспечивая равномерную и непрерывную подачу жидкости и адаптируясь к требованиям точного управления многоконтурными гидравлическими системами.
Наши шестеренные насосы имеют безмасляную несущую конструкцию, обеспечивающую стабильную работу при давлении выше 210 бар. Такая конструкция также поддерживает внутреннюю смазку насоса, гарантируя минимальный износ оборудования и более длительный срок службы.