
Наши насосно-моторные агрегаты сочетают в себе эффективные пластинчатые насосы с высокопроизводительными двигателями, разработанными для промышленного применения и обеспечивающими превосходную перекачку жидкости.
| Основные | Тип привода: Трехфазный асинхронный электродвигатель с короткозамкнутым ротором (SCIM) |
| Напряжение: Может быть подобрано для сетей с различными стандартами | |
| Частота: Номинальная частота 50 Гц или 60 Гц (общая спецификация 50 Гц/60 Гц доступна для мощности 5 л.с. и ниже) | |
| Выходная мощность: 1~3 л.с. | |
| Время работы: Непрерывное использование в пределах номинального крутящего момента | |
| Способ охлаждения: Полностью гермитизированный корпус с вентиляционным охлаждением (TEFC) | |
| Класс защиты: Полная герметичность (IP54) | |
| Применимые диапазоны | Колебания напряжений источника питания: в пределах ±10%, колебания частоты: в пределах ±5% |
| Условия эксплуатации: Температура окружающей среды: -10℃~40℃, влажность: ниже 90% | |
| Тип привода: Прямое подключение с помощью привода муфты с одним шпоночным валом | |
| Вращение: Прямое вращение | |
| Отдельные характеристики | Испытания: Прошли испытания на основе требований Международной электротехнической комиссии (IEC34) и Национального стандарта Китая (CNS10919) при включении на полное напряжение |
| Нагрев обмотки статора: ниже 75℃, коэффициент полезного действия (S.F.): 1,0 | |
| Превышение скорости: 4P для 125% синхронной скорости в течение 1 минуты, 6P для 150% синхронной скорости в течение 1 минуты | |
| Избыточный крутящий момент: 160% номинального крутящего момента в течение 20 секунд |
Данный пластинчатый насосный агрегат отличается стабильным качеством и длительным сроком службы. Двигатели рассчитаны на работу при полной нагрузке, превышающей стандартные значения, а сталь вала подвергнута термообработке для повышения устойчивости к различным давлениям. В соответствии с требованиями заказчика могут быть изготовлены отдельные спецификации гидравлического пластинчатого мотора или электродвигателя.
| Общие | Тип привода: Трехфазный асинхронный электродвигатель с короткозамкнутым ротором (SCIM) |
| Напряжение: Может быть подобрано для сетей с различными стандартами | |
| Частота: Номинальная частота 50 Гц или 60 Гц (общая спецификация 50 Гц/60 Гц доступна для мощности 5 л.с. и ниже) | |
| Мощность: 1/2~10 л.с., размер рамки: 71-132 | |
| Время работы: Непрерывное использование в пределах номинального крутящего момента | |
| Способ охлаждения: Полностью гермитизированный корпус с вентиляционным охлаждением (TEFC) | |
| Класс защиты: Полная герметичность (IP54) | |
| Применимые диапазоны | Колебания напряжений источника питания: в пределах ±10%, колебания частоты: в пределах ±5% |
| Условия эксплуатации: Температура окружающей среды: -10℃~40℃, влажность: ниже 90% | |
| Тип привода: Прямое подключение с помощью привода муфты с одним шпоночным валом | |
| Вращение: Прямое вращение | |
| Отдельные характеристики | Испытания: Прошли испытания на основе требований Международной электротехнической комиссии (IEC34) и Национального стандарта Китая (CNS10919) при включении на полное напряжение |
| Нагрев обмотки статора: ниже 75℃, коэффициент полезного действия (S.F.): 1,0 | |
| Превышение скорости: 4P для 125% синхронной скорости в течение 1 минуты, 6P для 150% синхронной скорости в течение 1 минуты | |
| Избыточный крутящий момент: 160% номинального крутящего момента в течение 20 секунд |
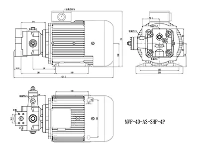
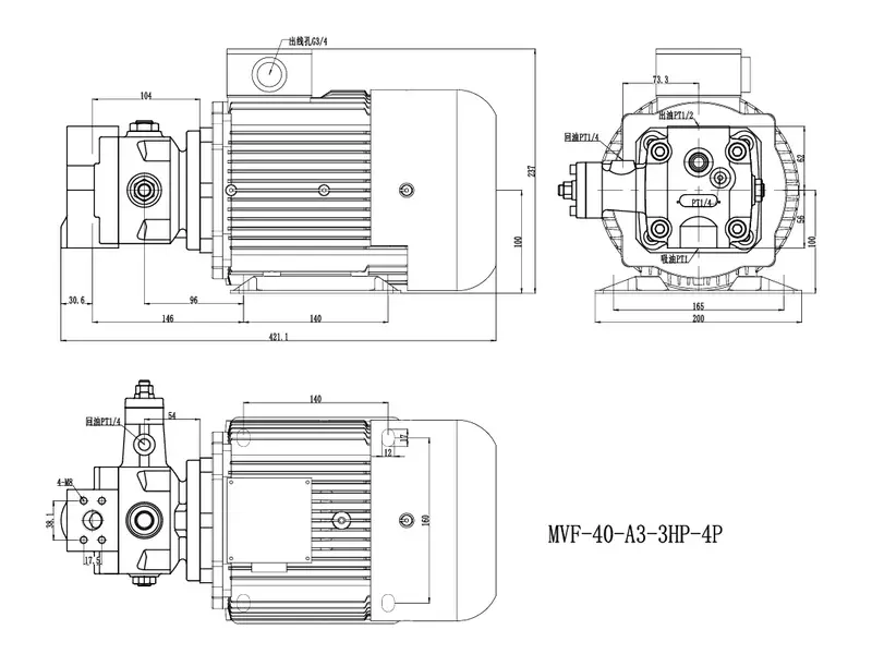
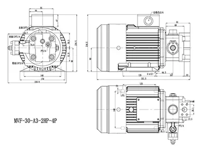
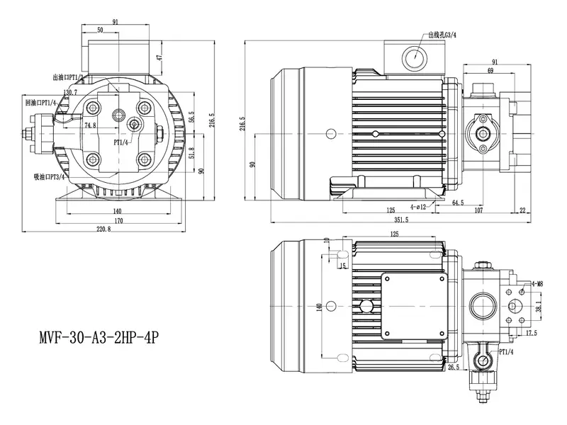
| A | AA | AD | B | C | D | H | h | L | |
|
|
125 | 158 | 136 | 100 | 76.3 | 69.5 | 80 | 216 | 337 |
|
|
125 | 158 | 136 | 100 | 78.7 | 95.5 | 80 | 227 | 365 |
|
|
125 | 158 | 136 | 100 | 76.3 | 69.5 | 80 | 216 | 410 |
|
|
140 | 177 | 145 | 125 | 73.5 | 69.5 | 90 | 226 | 364 |
|
|
140 | 177 | 145 | 125 | 75.4 | 95.5 | 90 | 237 | 392 |
|
|
140 | 177 | 145 | 125 | 75.4 | 95.5 | 90 | 237.4 | 476 |
|
|
140 | 177 | 145 | 125 | 104 | 104 | 90 | 188 | 430 |
|
|
160 | 200 | 157 | 140 | 88.4 | 95.5 | 100 | 247 | 427.4 |
|
|
160 | 200 | 157 | 140 | 88.4 | 95.4 | 100 | 247 | 511.4 |
