
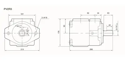
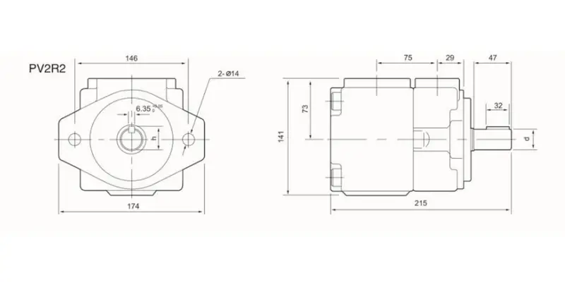
| Модель | Рабочий объем (куб.см/об) | Макс. давление (кгс/см²) | Скорость вращения (об/мин) | ||||
| Макс. | Мин. | ||||||
| при 1000 об/мин |
при 1200 об/мин |
при 1500 об/мин |
при 1800 об/мин |
||||
|
|
6.2 | 7.4 | 9.3 | 11.2 | 210 | 1800 | 1200 |
|
|
8.1 | 9.4 | 12.1 | 14.6 | 210 | 1800 | 950 |
|
|
10.1 | 12.1 | 15.1 | 18.9 | 245 | 1800 | 950 |
|
|
12.2 | 14.6 | 18.3 | 21.9 | 245 | 1800 | 950 |
|
|
13.6 | 17.1 | 21.5 | 25.7 | 245 | 1800 | 950 |
|
|
16.6 | 20.5 | 25.6 | 0.7 | 245 | 1800 | 950 |
|
|
18.6 | 23 | 28.8 | 34.5 | 245 | 1800 | 950 |
|
|
22.7 | 27.9 | 34.9 | 41.9 | 245 | 1800 | 950 |
|
|
25.3 | 31.3 | 39.1 | 46.9 | 245 | 1800 | 950 |
|
|
31 | 37.3 | 46.6 | — | 245 | 1500 | 950 |
|
|
26.2 | 31.4 | 39.3 | 47.1 | 245 | 1800 | 950 |
|
|
33 | 38.5 | 48.1 | 57.7 | 245 | 1800 | 950 |
|
|
38.2 | 45.8 | 57.3 | 68.7 | 245 | 1800 | 950 |
|
|
41.3 | 49.2 | 61.5 | 73.8 | 210 | 1800 | 950 |
|
|
47.2 | 57.8 | 71.4 | 86.7 | 245 | 1800 | 950 |
|
|
53.1 | 63.7 | 79.6 | 95.5 | 245 | 1800 | 950 |
|
|
60.2 | 72.7 | 90.3 | 108.3 | 210 | 1800 | 950 |
|
|
65.3 | 78.3 | 97.9 | 117.5 | 210 | 1800 | 950 |
|
|
60.3 | 72.3 | 90.4 | 108.5 | 210 | 1800 | 900 |
|
|
66.4 | 79.6 | 99.6 | 119.5 | 210 | 1800 | 900 |
|
|
76.3 | 91.5 | 114.4 | 137.3 | 210 | 1800 | 900 |
|
|
84.5 | 101.4 | 126.7 | 152.1 | 210 | 1800 | 900 |
|
|
88.3 | 105.9 | 132.4 | 158.9 | 210 | 1800 | 900 |
|
|
93.6 | 113.4 | 141.7 | 170.1 | 210 | 1800 | 900 |
|
|
108.2 | 129.8 | 162.3 | 194.4 | 210 | 1800 | 900 |
|
|
115.6 | 139.3 | 174.1 | 208.9 | 175 | 1800 | 900 |
|
|
125.6 | 149.5 | 186.9 | 226 | 175 | 1500 | 900 |
