
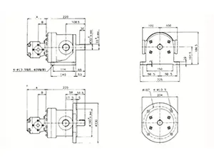
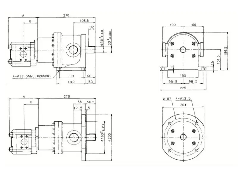
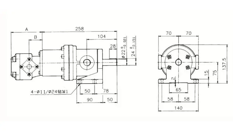
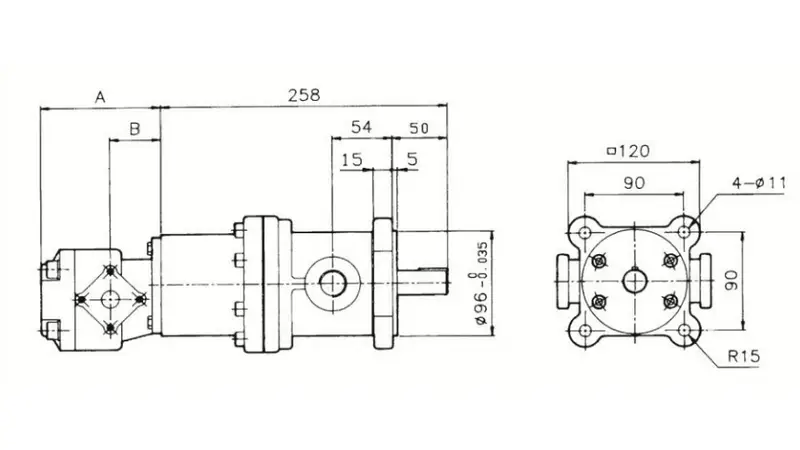
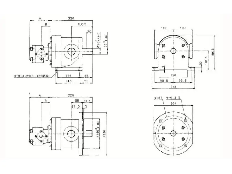
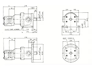
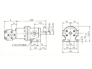
В данном пластинчатом насосе используется лопастная структура с фиксированным рабочим объемом для создания гидравлической системы с большим расходом и низким уровнем шума. Наш нерегулируемый пластинчатый насос может быть объединен в систему контуров высокого и низкого давления с одним двигателем, что позволяет эффективно экономить энергию и пространство.
| Модель | Рабочий объем (куб.см/об) | Макс. давление (кгс/см²) | Скорость вращения (об/мин) | ||||
| Макс. | Мин. | ||||||
| при 1000 об/мин |
при 1200 об/мин |
при 1500 об/мин |
при 1800 об/мин |
||||
|
|
— | 8.2 | 10.3 | 12.5 | 70 | 1800 | 950 |
|
|
12 | 14.4 | 18 | 21.6 | 70 | 1800 | 950 |
|
|
14.6 | 17.5 | 21.7 | 26.1 | 70 | 1800 | 950 |
|
|
17 | 20.3 | 25.5 | 31.5 | 70 | 1800 | 950 |
|
|
20 | 23.8 | 29.8 | 36.7 | 70 | 1800 | 950 |
|
|
23 | 27.6 | 34.5 | 41.4 | 70 | 1800 | 950 |
|
|
26.2 | 31.4 | 39.3 | 47.2 | 70 | 1800 | 950 |
|
|
30.1 | 3.1 | 45.2 | 54 | 70 | 1800 | 950 |
|
|
36.2 | 41.4 | 54.3 | 64 | 70 | 1500 | 950 |
|
|
41.5 | 49.4 | 62 | 74.5 | 70 | 1200 | 950 |
|
|
43 | 51.6 | — | — | 70 | 1500 | 950 |
|
|
48.3 | 57.9 | 72.4 | 86.9 | 70 | 1800 | 900 |
|
|
61.5 | 73.8 | 92.2 | 110.7 | 70 | 1800 | 900 |
|
|
75.5 | 90.6 | 113.2 | 135.9 | 70 | 1500 | 900 |
|
|
94.2 | 113 | 141.3 | 168 | 70 | 1500 | 900 |
|
|
116.3 | 139.6 | 174 | — | 70 | 1200 | 900 |
